Сохраните в закладки:
*История изменения цены! Указанная стоимость возможно, уже изменилось. Проверить текущую цену - >
| Месяц | Минимальная цена | Макс. стоимость | Цена |
|---|---|---|---|
| Feb-22-2026 | 15119.4 руб. | 15421.54 руб. | 15270 руб. |
| Jan-22-2026 | 12262.74 руб. | 12507.92 руб. | 12384.5 руб. |
| Dec-22-2025 | 14881.95 руб. | 15179.67 руб. | 15030 руб. |
| Nov-22-2025 | 14762.39 руб. | 15057.88 руб. | 14909.5 руб. |
| Oct-22-2025 | 11786.18 руб. | 12022.59 руб. | 11904 руб. |
| Sep-22-2025 | 14524.57 руб. | 14814.93 руб. | 14669 руб. |
| Aug-22-2025 | 14405.18 руб. | 14693.15 руб. | 14549 руб. |
| Jul-22-2025 | 14286.17 руб. | 14572.47 руб. | 14429 руб. |
Новые товары
Характеристики
Описание товара
0501 DSP контроллер-ключ
1. Вам нужен оригинальный richaito A11E/A11S? Нажмите здесь 2. Контроллер DSP маршрутизатора с ЧПУ, usb-соединение, может использоваться без компьютера 3. Подходит для 3 осей 4. Модель: 0501 5. Версия на английском языке перед отправкой 6. Руководство и программное обеспечение могут быть отправлены почтой
Ручка управления 1,0501 2. Клеммная колодка с ручкой 3. Подключение USB2.0 4,50 контактный кабель для передачи данных
◆Новый трехосевой режим движения реализует комплексный контроль ◆Поддержка привода XYZ, преобразователь частоты вращения шпинделя, функция оповещения об ошибках ◆ Большое пространство для хранения, высокая совместимость с u-диском, быстрая скорость чтения и более надежная обработка u-дисков ◆Intelligent файл Функция проверки ◆С функциями резервного копирования и восстановления параметров, эффективно предотвращая потерю важных параметров ◆ Сильная защита от помех, прошли несколько испытаний CE ◆Интеллектуальная функция обработки памяти, поддержка точки останова, функция отключения питания ◆I/O интерфейс, который может быть настроен, чтобы предоставить пользователям широкий спектр платформ разработки
DSP0501 Функция продукта:
1. Полностью не зависит от платформы ПК; 2. Чтение файлов непосредственно с U диска; 3. Легко обрабатывать большой размер G кодов или PLT файлов; 4. Мощная система и функция проверки документов; 5. Легко обновить системную программу; 6. Он поддерживает высокие и маленькие шаги, делая точный и быстрый процесс возможным; 7. Поддержка обработки некоторых документов; 8. Надежные функции защиты данных и восстановления; 9. Дружественный интерфейс работы
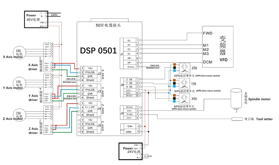
0501 инструкции по проводке контроллера DSP:
0501 Параметры продукта контроллера:
Содержание: трехосевая система управления Процессор: 128M DSP Память: встроенная память 128M, Из-за принятия Технология мобильного хранения, Который поддерживает файлы любого размера Дисплей: ЖК-дисплей 128 точек * 64 точек Связь Терминал: usb-терминал и u-диск Формат файла: G код, PLT файл (опционально) Количество осей: 3 оси Функция помощи: полезная информация о помощи и руководство Язык: китайский, английский (по желанию) Интерфейс работы: дружественные кнопки и меню Система привода: шаговый двигатель Интерполяция Функция: Линейная, кривая Регулировка резака Функция: Да Управление шпинделем Функция: Да Проверка данных системы Функция: Да Обработка данных Функция обзора: Да Место обработки Функция регулировки: Да Мульти-рабочий Координаты: он имеет 9 рабочих координат Остановка подготовки Функция: Да Обработка копий Функция: Да Защита данных Выключение питания: Да Операционная система Температура: 0C до + 70C Влажность: <90 без росы и мороза Внешнее напряжение: 5 вольт Потребление: 2 Вт Размеры (мм): 156*110*38
Установка верхнего компьютера:
Верхняя машина относится к программе, содержащей компакт-диск, которая поставляется с машинным инструментом, включая драйвер USB, файл zhbusbhandhost.exe, руководство по эксплуатации, файл этикеток, файл меню, программу аварийного восстановления и обычную программу Требования к конфигурации оборудования установки: материнская плата: PIII 450 или выше, операционная система: Win2000, XP шаги по установке следующие: 1. Вставьте компакт-диск в компакт-диск компьютера, а затем скопируйте все файлы на компакт-диске в указанную папку на компьютере, например: недавно созданная папка USB Handle на диске C; 2. Подключите геймпад к компьютеру с помощью usb-кабеля. 3. Нажмите на подсказку, чтобы найти новое оборудование в правом нижнем углу экрана компьютера; 4. При запросе установки драйвера Выберите второй вариант установки из списка или в указанном месте; 5. Найдите папку (например, usb-папку на диске C) в Шаге 1 проекта просмотра; 6. Когда установка драйвера начинается и подсказка не подписана Microsoft Digital, выберите продолжить. Когда подсказка завершена, нажмите OK, чтобы загрузить файл с верхнего компьютера на ручку
Операция загрузки файлов:
Существует два способа загрузки файлов в системе управления RZNC 0501. Один из способов-загрузить файлы объекта через верхний компьютер во внутренние файлы в системе управления (такие файлы называются внутренними файлами). Другой метод заключается в том, чтобы подключить флеш-накопитель USB непосредственно к системе управления, а затем сделать файлы непосредственно считывать и выполнять флеш-накопитель USB (такие файлы просто называются флеш-файлами USB). 1) Загрузка внутренних файлов 1. Подключите ручку к компьютеру через usb-кабель; 2. Нажмите на значок файла zhbusbHandHost. exe; 3. Разверните верхний компьютер, нажмите файл, найдите файл, который вы хотите загрузить, файл появится на экране; 4. Нажмите «действие» для загрузки, выберите, чтобы загрузить файл, а затем нажмите «ОК», чтобы загрузить файл; 5. После завершения проверки загрузки файла, он предложит вам успешно загрузить файл и нажмите «ок» для подтверждения; Отключите usb-кабель и загрузите файл во внутренний файл на контрольной карте II) Загрузка файлов флеш-накопителя USB 1. Генерируйте целевые файлы с помощью программного обеспечения графического моделирования и передавайте файлы на U диск; 2. Вставьте usb-накопитель в интерфейс в правом верхнем углу контрольной карты и убедитесь, что он надежно вставлен.
Работа машины:
1. Подключите ручку к машине с помощью переменного тока, 50-штыревое соединение и зарядить его; 2. ЖК-дисплей возвращается в исходное место? Нажмите OK, чтобы вернуть происхождение станка, нажмите DELETE, чтобы вернуть происхождение станка, нажмите отмена, чтобы вернуть только происхождение оси Z; 3. Перемещайте оси X, Y и Z в указанное положение, а затем нажмите клавиши XY 0 и Z 0, чтобы очистить ноль, чтобы определить рабочее происхождение. Нажмите клавишу run, чтобы выбрать файл, переместите курсор, чтобы выбрать тип файла, а затем нажмите OK, чтобы войти в список файлов на флеш-накопителе USB или во внутреннем списке файлов. Для файлов в списке файлов usb-накопителя, переместите X + и X-курсор в целевой файл и нажмите OK, чтобы начать обработку; Для внутренних файлов 1. Для файлов в списке, пожалуйста, нажмите соответствующую клавишу номера, прежде чем файл, чтобы выбрать файл, который будет обработан, а затем нажмите клавишу меню, чтобы повернуть страницу, чтобы найти файл; 2. Выберите обработку файлов, конфигурацию параметров обработки, в соответствии с X + и X-переместите курсор, чтобы выбрать различные параметры, определив кнопку настройки ввода, ошибка ввода нажмите клавишу Delete, чтобы удалить неправильный вход, После завершения ввода необходимо определить в соответствии с содержанием нового цифрового ключа для подтверждения, нажмите кнопку отменить, чтобы вернуться к исходному номеру, пользователь должен быть в сочетании с фактическим положением станков и обработки необходимо изменить параметры конфигурации, в противном случае это приведет к ошибке обработки 3. Нажмите кнопку Отмена, чтобы выйти из системы модификации параметров обработки и проверить код обработки после завершения настройки параметров обработки. Когда Проверка завершена, нажмите OK, чтобы начать обработку 4. В процессе обработки нажмите Y + Y-чтобы изменить скорость мультипликатора, нажмите Z + Z-чтобы изменить скорость шпинделя. 5. Во время обработки нажмите кнопку паузы, чтобы отрегулировать положение трех осей, а затем нажмите кнопку паузы, чтобы указать исходное положение. Нажмите кнопку паузы, чтобы подтвердить новое положение и начать обработку, а затем нажмите OK, чтобы продолжить обработку без изменения положения; 6. Во время обработки нажмите кнопку «стоп», чтобы остановить обработку и попросить сохранить точку останова. Если вам нужно переработать из текущего местоположения, нажмите кнопку 1 или 2, 3, 4, 5 или 6, а затем нажмите кнопку ОК, чтобы сохранить текущее состояние обработки. Нажмите OK для возврата к рабочему источнику, затем нажмите Stop для возврата к рабочему источнику; 7. Обработка точки останова, если вам нужно продолжить сохранение исходного файла для обработки, пожалуйста, нажмите клавишу запуска + соответствующую клавишу Номера для обработки параметров, И нажмите 5 или 6 выше, чтобы отменить операцию. В строке номера файла точки останова нажмите клавишу ввода, чтобы начать тест-код, и вы можете вернуться в положение остановки обработки после завершения теста. Во время обработки, если питание отключено, система управления автоматически сохранит незавершенные данные и нажмите «ок», чтобы вернуться в исходное место после вызова. На экране будет указано, выключено ли питание 9. После начала обработки система будет отображать состояние обработки в реальном времени, например, увеличение скорости в два раза, оставшееся время обработки, скорость обработки в реальном времени и количество линий исполнения файлов
Использование комбинации клавиш:
Использование комбинации клавиш: сначала нажмите первую клавишу, затем нажмите вторую клавишу, когда появится соответствующее содержимое, одновременно отпустите обе клавиши, конкретные функции описаны следующим образом: 1. Меню + клавиша Номера для переключения рабочей системы координат; 2. Меню + ключ открытой оси, выравнивание ножа; 3. Запуск + Количество клавиш для обработки точек останова; 4. Эксплуатация + высокоскоростной ключ, усовершенствованная обработка; 5. Подтверждение + кнопка остановки, информация о помощи
Настройки меню и использование:
В главном интерфейсе нажмите клавишу меню, чтобы войти в пункт меню, нажмите X + и X, чтобы переместить курсор, чтобы выбрать различные пункты меню, а затем нажмите OK, чтобы войти I) конфигурация параметров машины заключается в том, чтобы настроить карты управления, соответствующие механической функции конфигурации станка, в том числе: эквивалент импульса, настройки размера машины, установка до нуля, настройка шпинделя, уровень четкости, определение пульса, Толщина режущего устройства, рекомендуемые производители устанавливают параметры, Например, зазор винта, после установки, не нужно, чтобы клиент изменил параметры, нажмите соответствующую клавишу номера, вход в соответствии с сохранением, конечно, после завершения ввода ошибка нажмите клавишу delete changes, нажмите кнопку Отмена, чтобы переместить курсор, чтобы изменить свойства, Используйте кнопку Y отмена + и-клавиши для изменения в родительском меню до выхода II) конфигурация параметров обработки Установите Линейное и изогнутое ускорение и код G при обработке, чтобы прочитать указанное Входное значение атрибута. Нажмите соответствующую клавишу номера, затем нажмите OK, чтобы сохранить изменения, нажмите Y + и Y, чтобы выбрать сохранить изменения, нажмите OK, чтобы сохранить изменения, И затем нажмите отмена, чтобы отменить изменения и вернуться в меню выше III) Настройка параметров системы язык системы, формат внутренней области данных, выберите функцию самопроверки и обновление системы с помощью X + и X-Move курсора, а затем нажмите OK, чтобы подтвердить изменение Расширенная конфигурация обработки и некоторые специальные настройки файлов обработки, такие как конфигурация обработки массива, вы можете задать ряд массива, Столбец и интервал между строками (для расстояния между двумя центрами) Обслуживание файла конфигурации фрезерного станка путем установки специального набора требований X + и X-переместите курсор, чтобы выбрать и определить кнопку ввода для ввода элементов подменю После правильного значения, чтобы определить способ сохранения ключа, нажмите кнопку Отмена, чтобы отменить изменения и вернуться в родительское меню V) дисплей версии: нажмите «OK» для просмотра номера аварийной/обычной программы системы
Расширенная обработка:
После установки улучшенной конфигурации обработки, Нажмите Run + высокая/низкая скорость, чтобы войти в расширенное меню обработки, нажмите X + и X-Move курсор для выбора, введите «OK», И следуйте инструкциям шаг за шагом, чтобы работать
Информация о компании и контактная информация
Jinan Hongyang CNC Machinery Co., Ltd. была основана в 2008 году. Есть более чем 100 работников и инвентаризации площадь 10000 квадратных метров. В основном занимается гравировальным станком, включая Шпиндельный двигатель, преобразователь частоты, шаговый двигатель, привод, гибридный серводвигатель, серводвигатель, контроллер серии richaito dsp, weihong или Контроллер nc studio, водяной насос для охлаждения шпинделя, насос для смазочного масла, датчик инструмента, концевые датчики, вакуумные насосы с водяным охлаждением, Вакуумные насосы с воздушным охлаждением, источники питания, трансформаторы, коробки передач, стойки, рельсы, слайдеры или блоки, зажимы для инструментов ISO30, Кабельные цепи, пылезащитные крышки шпинделя, пылесосы и другие аксессуары для гравировального станка, добро пожаловать на ваш запрос. Контактная информация WeChat whatsapp мобильный 8615650000988 Лилия @ hycncrouter. Com
Давно подыскивала сандалии с такими завязками, чтобы они заплетались выше стопы. В этих на первый взгляд, понравилось все - неброский,... Читать отзыв полностью...
Нарядилась на свадьбу в это платье, и чувствовала себя без преувеличения, королевой. Вблизи оно просто супер - тончайшее кружево, белоснежная... Читать отзыв полностью...
Заказала эту футболку, под свои джинсы. Товар пришел а отличном состоянии. Футболка идеально подошла по размеру. После стирки не села,... Читать отзыв полностью...
Пару слов хочу сказать о этих монетах, потому как выписала их в подарок племяннику, он уже много лет собирает их.... Читать отзыв полностью...
У меня дома два сладкоежки)) Решили заказать Аппарат для приготовления сладкой ваты, и делать самим дома. Товар пришел вовремя, хорошо... Читать отзыв полностью...
Очень эффектные босоножки, почти как у моей любимой певицы Леди Гаги. Взяла сразу два варианта, с сердечками и с цветочками.... Читать отзыв полностью...

Заказывала толстовку для сына. Если честно качество прям удивило, думала придет хуже. Товаром довольна, толстовка теплая стильная, сыну понравилась. С... Читать отзыв полностью...